(来源:科超云)
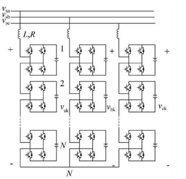
单级式高压级联储能电池系统是最为典型的高压级联储能电池系统拓扑形式,其结构如图所示高压级联储能电池系统的布局。

即高压级联储能电池系统中电池簇和功率模块的相对物理位置关系,对绝缘、损耗与散热、电磁干扰、工程实施和维护管理等均有不同程度的影响。侧重点不 同,高压级联储能电池系统的布局设计就有所不同。
1.1 热管理与损耗
高压级联储能电池系统的损耗主要由两部分构成:电池损耗和变流器损耗。以目前的技术水平,在鲤电池的充放电效率大多为94% ~97%,平均单次充电或放电能量损失为 1.5% ~ 3%高压级联储能电池系统变流器效率可达 99%,能量损失 1%。一般而言高压级联储能电池系统中电池簇体积远大于变流器功率模块,故高压级联储能电池系统工作在有功功率状态时电池簇的发热功率密度一般低于变流器功率模块发热功率密度。当高压级联储能电池系统工作在无功功率状态时电池中基本没有电流流过,电池发热可以忽略。而变流器功率模块中流过无功电流时,其发热比流过相同大小的有功电流时更为严重。可见,无论 高压级联储能电池系统工作在有功状态还是无功状态,电池的发热功率密度均远低于变流器功率模块的发热功率密度。另一方面,钾电池允许的工作温度范围远窄于功率模块允许的温度范围。因此两者对热管理的要求大不相同。从热管理的角度,电池簇和功率模块宜分开布置,以便采取冬自适宜的热管理措施。但电池簇和功率模块分开布置会使电池簇和功率模块之间需要大较量的对地高绝缘电缆,成本高、接线复杂。同时电缆上的损耗也不容忽视。
1.2 电磁干扰
高压大容量高压级联储能电池系统并网电压高、体积大、占地广,分布参数的影响突出分布电容与结构、绝缘和散热相互耦合,对高压级联储能电池系统 的影响较大,其影响主要体现为空间位移电流对相关设备和器件的干扰。高压级联储能电池系统中,电池簇体积大、占地面积大,连接电缆对地距离小,长度长。
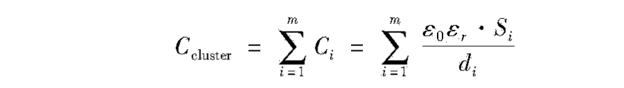
1)电池簇对地分布电容
电池簇由长方形的电池模块串并联组成。电池簇内的电池模块可能具有不同的直流电位,但交流电位相同。由于对地绝缘的需要,通常采用绝缘支架进行安装固定。
电池簇通常具有规则的形状,对地绝缘结构简单,其对地分布电容可采用简单的平板电容公式进行估算。

式中:Ccluster 为电池簇对地电容;Ci;为电池簇各个面的对地电容;Si为各个面的表面积;di为各个面对地距离;e0 为真空中的介电常数;er为相对介电常数;m 为电池簇与对地相对的平面数量。
2)连接电缆的分布电容
当高压级联储能电池系统的功率模块集中布置时,功率模块之间的交流回路采用短铜排或短电缆,此时连接导体对地电容小。当功率模块与储能电池靠近布置时,功率模块之间的间距较远,则采用交流电缆连接,交流电缆对地电容较大。当高压级联储能电池系统的功率模块集中布置时,功率模块与电池簇之间的直流回路采用电缆,此时连接电缆较长,对地电容大。当功率模块与储能电池靠近布置时,两者之间的连接采用铜排或短电缆,对地分布电容小。电缆分布电容与电缆是否具有屏蔽层关系很大。对于屏蔽电缆,导体与“地”间距离小,分布电容大。屏蔽电缆对地分布电容可采用同心圆柱电容器电容公式进行计算

式中:Ccabel为屏蔽电缆对地电容; 为屏蔽电缆长度;Di和 Dc分别为屏蔽电缆的屏蔽层内径和导体外径.
对于非屏蔽电缆,导体离“地”的距离取决于电缆实际敷设情况,分布电容大小视具体情况而定以 6/10 kV -35 mm截面积的交流电缆为例,参考电缆手册可知,其分布电容为0.212 uF/km。以30 m 该型号的电缆为例其对地分布电容 Cr为:

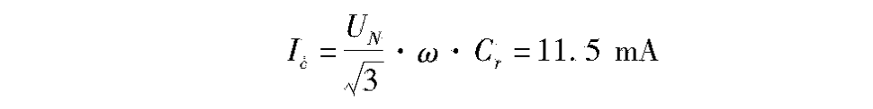
与并网电感连接的电缆具有最高的对地工频电压,约等于相电压,在 10 kV 电网,通过该分布电容的工频容性电流为:

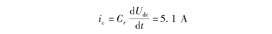
该工频容性电流很小,其影响可以忽略CHB-BESS 工作过程中,开关动作产生高的电压变化率。以功率模块直流侧电压 U=800 V,器件开关速度 1 us 计算。在开关过程中产生的瞬态电流为:

可见电流数值较大,可能产生较为严重的电磁干扰影响附件电路的正常工作。采用铜排和短非屏蔽电缆时,因结构简单,尺寸小,其分布电容可以忽略。
1.3 电池簇与功率模块靠近布置
最早采用电池簇与变流器功率模块靠近布置方式的高压级联储能电池系统工程是深圳宝清电池储能站 11# 2 MW/10 kV 电池储能系统,该工程也是世界首套 10 kV 级联电池储能系统。该高压级联储能电池系统的电池簇和变流器功率模块均安装在室内电气柜中,便于维护,但占地面积大,功率和容量密度偏低,且对消防措施的要求高。
在后续的高压级联储能电池系统工程应用中,出于施工便利性和消防等方面的考虑,多采用户外安装的方式电池簇与变流器靠近布置时,两者连接方便,连接导体发热低,损耗小,主电路寄生参数小。但因变流器和电池的发热热济密度不同、材料和结构的热特性不同,且工作温度范围差异较大因此,两者共同运行时需要进行合理的热匹配设计,增加了热管理的设计难度。
下图为电池簇和变流器功率模块并排布置示意图。该方案将电池簇和与其相连的变流器功率模块分别成柜或成架,再并排布置在同一个集装箱内。此时需要为电池簇和功率模块设计独立的散热风道。
这种布置方式下,电池簇和变流器功率模块距离很近,两者之间的通信可以采取电信号的方式。需要注意的是,由于信号线跨越电池簇柜(架)和变流器柜(架),因此需要特别注意信号线、柜(架)体和“地”之间的绝缘强度关系。2018 年智光电气在自建3 MW/6 kV 储能系统中采用了该布置方式。

另一种可行的靠近布置方案是,电池簇和功率模块垂直层叠成柜(架),构成一个储能单元。一个集装箱或预制舱内可以并排布置多个储能单元。单个储能单元下图 所示该方案将发热功率密度低、允许运行温度范围在窄的电池簇置于柜(架)体中下部将发热量大、功率密度高和运行温度高的功率模块置于柜(架)体上部,使得自然散热的规律和两者的温度特性一致,优化了热管理效率。可以在柜(架)体上方安装风扇驱动气流从下往上进行强制空冷散热。由于电池簇和功率模块共用散热风道,结构紧凑。该布置也便于采用水冷散热形式。

1.4 工程实施与维护
电池簇和变流器功率模块属于不同的专业技术领域,对安装、维护和安全防护的要求差异较大,往往需要由不同专业背景的技术人员进行工程实施和运行维护工作。
电池簇和功率模块分开布置时,电池簇和功率模块的安装施工耦合小,可各自在生产厂家进行较为完整的独立组装和调试现场工作量小、工程建设效率高,且维护区域的安全措施可以独立设计和优化,人员细化分工,安全性较高从这个角度,电池簇和功率模块分开布置为宜。
内容源于《高压级联电池储能系统布局方案研究》